🏠 返回主页 📚 学习指南 ⬇️ 下载软件

⚡ 低压电工实操指导

系统掌握低压电工实操技能,顺利通过考证,安全上岗作业

⚠️ 各省规定差异提醒

低压电工实操考试各省内容存在差异!虽然国家有统一的《低压电工作业人员安全技术培训大纲和考核标准》,但各省在以下方面可能有所不同:

建议:报名前务必咨询当地应急管理局或正规培训机构,确认本省最新的考试要求和实操项目清单!

📋 学习导航目录

📋 报考条件与考试要求

一、2026年最新报考条件

ℹ️ 基本条件(全国统一)
条件类别 具体要求 备注说明
年龄要求 18-60周岁(男)/ 18-55周岁(女) 部分地区限制50-55周岁,请查询当地政策
学历要求 初中及以上学历 2026年起不再接受小学学历报考
健康要求 无心脏病、癫痫、色盲、高血压等妨碍作业的疾病 2026年起部分地区改为签署《健康承诺书》
培训要求 完成规定学时培训(线上+线下) 线上约88学时,线下约60学时

二、考试形式与合格标准

📝 理论考试(机考)
  • 题型:70道判断题 + 30道单选题(共100分)
  • 合格线:80分及以上
  • 内容占比:安全法规30%、电工基础40%、安全操作30%
  • 考试时间:一般为120分钟
  • 补考:部分省份当天可补考1次
🔧 实操考试(现场操作)
  • 考试方式:实际操作、仿真模拟操作、口述相结合
  • 合格线:80分及以上
  • 科目构成:K1(20分)+ K2(40分)+ K3(20分)+ K4(20分)
  • 抽考形式:K2、K3、K4为抽考项目,考前随机抽取
✅ 2026年新政变化
  • 复审周期延长:由原3年复审延长至6年复审(3年换证)
  • 电子证普及:全国推行电子证书,可在"国家安全生产考试"公众号查询
  • 体检简化:部分地区取消体检报告,改为签署《健康承诺书》
  • 培训规范:要求通过官方指定或认可的培训机构完成课程

🔧 实操科目详解(K1-K4)

科目一:K1 安全用具使用(20分)

📌 K11 电工仪表安全使用

掌握万用表、钳形电流表、兆欧表(摇表)的正确使用方法:

  • 万用表:正确选择交直流电压档、电阻档、电流档,红表笔接正/火线,黑表笔接负/零线
  • 钳形电流表:测量交流电流时无需断开电路,注意量程选择和安全距离
  • 兆欧表:测量绝缘电阻前必须断电放电,摇速保持120转/分钟
仪表识别 量程选择 安全操作
📌 K12 电工安全用具使用

正确识别和使用各类安全防护用具:

  • 绝缘手套:使用前检查有效期和气密性(充气挤压法)
  • 绝缘靴(鞋):检查外观无破损,有效期内使用
  • 验电器:使用前必须在已知带电体上验证完好性
  • 接地线:先接接地端,后接导体端;拆除时顺序相反
  • 安全帽、护目镜、安全带:检查外观和有效期
📌 K13 电工安全标示辨识

识别各类安全标志:禁止类(红色)、警告类(黄色)、指令类(蓝色)、提示类(绿色)

科目二:K2 安全操作技术(40分)

实操考试的核心科目,包含以下5个抽考项目:

📌 K21 电动机单向连续运转接线(带点动控制)

考试形式:只接控制线路,主线路已接好或不接

核心要点:

  • 理解自锁(连续运行)和点动的区别
  • 点动按钮用常开触点,自锁用接触器辅助常开触点并联
  • 停止按钮串联在控制回路中
  • 接线规范:横平竖直,接触可靠
📌 K22 三相异步电动机正反转线路接线

考试形式:K2-2只接主线路,K2-3只接控制线路

核心要点:

  • 电气互锁:正转接触器常闭触点串联在反转控制回路,反之亦然
  • 机械互锁(复合按钮):进一步确保安全,防止正反转接触器同时吸合
  • 主线路调换任意两相实现转向改变
  • 双重互锁是正反转控制的标准配置
📌 K23 单相电能表带照明灯的安装及接线

考试形式:包括双控日光灯(K2-4)和单控灯加插座(K2-5)

核心要点:

  • 单相电能表接线:1、3进线(火线、零线),2、4出线(具体以电表接线端盖图示为准)
  • 双控灯:两个单刀双掷开关,火线进第一个开关公共端,灯接第二个开关公共端
  • 插座接线:左零右火上接地(面对插座)
  • 照明回路与插座回路分开保护
📌 K24 带电流测量的电动机运行控制电路接线

考试形式:只接一相电流测量回路

核心要点:

  • 电流互感器:一次侧串联在主电路,二次侧接电流表
  • 电流互感器二次侧严禁开路运行
  • 熔断器、断路器、接触器、热继电器的正确配合
  • 控制回路电压一般为AC220V或AC380V
📌 K25 导线的连接

考试内容:单股铜芯线、多股铜芯线的直线连接和T型连接

核心要点:

  • 单股线连接:绞接法缠绕5-7圈,搪锡处理
  • 多股线连接:散开成伞状,交叉缠绕后压紧
  • 绝缘恢复:先用黄蜡带,再用黑胶布,缠绕紧密
  • 接头电阻不大于同长度导线的1.2倍

科目三:K3 作业现场安全隐患排除(20分)

📌 K31 判断作业现场存在的安全风险

根据图片或视频识别安全隐患:未戴安全帽、未穿绝缘鞋、带电作业、接线错误、保护缺失等

📌 K32 排除作业现场安全风险

针对发现的安全隐患提出正确的排除措施,口述整改方法

科目四:K4 作业现场应急处置(20分)

📌 K41 触电事故现场的应急处理

核心要点:

  • 第一步:迅速切断电源(拉闸、拔插头、用绝缘物挑开电线)
  • 第二步:判断意识和呼吸(拍肩呼喊,观察胸廓起伏)
  • 第三步:如无呼吸心跳,立即进行心肺复苏(CPR)
  • 心肺复苏比例:按压30次 + 人工呼吸2次为一个循环
  • 按压深度5-6cm,频率100-120次/分钟
📌 K42 电气火灾的预防及扑救

核心要点:

  • 电气火灾必须先断电后灭火
  • 使用干粉灭火器或二氧化碳灭火器,严禁用水
  • 拨打119报警,疏散人员

⚡ 五大实操电路原理与接线

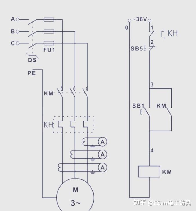
K2-1:电动机单向连续带点动运转线路

K2-1 电动机单向连续带点动运转线路原理图

K2-1 电动机单向连续带点动运转线路原理图

K2-1 接线示意图

K2-1 接线示意图

电路原理:

  • 点动控制:按下SB3按钮,KM线圈得电,电机运行;松开SB3,KM失电,电机停止
  • 连续运行(自锁):按下SB2,KM线圈得电,辅助常开触点KM闭合自锁,松开SB2电机继续运行
  • 停止:按下SB1,控制回路断开,KM失电,电机停止
  • SB3的常闭触点串联在自锁回路中,实现点动时断开自锁

K2-2/K2-3:三相异步电动机正反转线路

K2-2/K2-3 三相异步电动机正反转线路原理图

K2-2/K2-3 三相异步电动机正反转线路原理图

K2-2/K2-3 接线示意图

K2-2/K2-3 接线示意图

电路原理:

  • 正转:按下SB2,KM1吸合,主触点闭合,电机正转;KM1常闭触点断开互锁KM2
  • 反转:按下SB3,KM2吸合,主触点闭合(调换两相),电机反转;KM2常闭触点断开互锁KM1
  • 双重互锁:接触器互锁(常闭触点)+ 复合按钮互锁(机械互锁)
  • 停止:按下SB1,控制回路断电,电机停止

K2-4:单相电能表带照明灯(双控日光灯)

K2-4 单相电能表带照明灯原理图

K2-4 单相电能表带照明灯(双控日光灯)原理图

K2-4 接线示意图

K2-4 接线示意图

电路原理:

  • 单相电能表:1、3端子进线(火线L、零线N),2、4端子出线
  • 双控开关:两个单刀双掷开关,公共端分别接火线和灯,另两端相互连接
  • 日光灯接线:火线经开关进镇流器,零线直接接灯管一端
  • 启辉器作用:启动时提供瞬时高压点亮灯管,正常工作时断开

K2-5:单相电能表带照明灯(单控灯加插座)

K2-5 单控灯加插座原理图

K2-5 单相电能表带照明灯(单控灯加插座)原理图

K2-5 接线示意图

K2-5 接线示意图

电路原理:

  • 插座接线:面对插座,左零(N)右火(L)上地(PE)
  • 照明回路:火线经断路器、开关到灯,零线直接到灯
  • 保护要求:插座回路需装漏电保护器
  • 照明与插座分开回路,便于分别控制和保护

K2-6:带电流测量的电动机运行控制电路

K2-6 带电流测量控制电路原理图

K2-6 带电流测量的电动机运行控制电路原理图

K2-6 接线示意图

K2-6 接线示意图

电路原理:

  • 主电路:断路器→接触器主触点→热继电器→电动机
  • 电流互感器:TA一次侧串联在主电路一相中,二次侧接电流表PA
  • 控制电路:停止按钮SB1、启动按钮SB2、接触器KM线圈、热继电器FR常闭触点
  • 自锁:KM辅助常开触点并联在SB2两端
  • 保护:短路保护(断路器/熔断器)、过载保护(热继电器)

📹 ESim电工仿真视频教程

ℹ️ 如何使用ESim电工仿真练习低压电工实操

ESim电工仿真软件内置了低压电工实操模拟模块,提供原理图、讲解视频和仿真练习,帮助你随时随地进行实操练习。

抖音视频教程推荐

▶️
ESim电工仿真APP使用演示
详细介绍ESim电工仿真APP的操作方法,包括控件添加、导线连接、仿真运行等基础功能
视观看频 →
📱
万用表控件使用演示
学习如何在仿真中使用万用表测量交直流电压、电阻,掌握测量技巧
视观看频 →
低压电工实操电路仿真
演示K21-K25各类实操电路的仿真练习方法,包含接线演示和故障排查
观看视频 →
🔧
PLC与变频器仿真练习
汇川Easy320 PLC和MD200变频器的接线与参数设置仿真演示
观看视频 →
💡 视频学习建议
  • 在抖音搜索"ESim电工仿真"关注官方账号,获取最新教程
  • 搜索"低压电工实操"+"ESim"查找相关练习视频
  • 建议先看视频学习,再打开软件跟着操作练习
  • 利用碎片时间刷视频学习,系统时间进行仿真练习

软件下载方式

✅ 获取ESim电工仿真

📚 学习经验与备考技巧

一、理论考试备考策略

🎯 高效刷题三步法

第一步:模块突破(第1-7天)

  • 按安全法规、电工基础、操作规范三大模块分别练习
  • 每天学习1-2个模块,掌握核心知识点
  • 重点理解触电急救流程、安全操作规程

第二步:真题模拟(第8-12天)

  • 使用官方APP或培训机构提供的刷题软件
  • 每天完成2-3套模拟试卷
  • 连续3次模拟成绩达到85分以上方可预约考试

第三步:错题重刷(第13-15天)

  • 建立错题本,对易错题型反复强化
  • 重点关注:兆欧表操作规范、心肺复苏比例、安全标志识别
  • 考前最后两天只看错题和重点笔记

理论考试口诀记忆法:

  • 心肺复苏:"三十比二要记住,按压五至六厘米深,频率一百到一百二"
  • 安全电压:"干燥环境三十六,潮湿环境十二伏"
  • 触电急救:"迅速断电是关键,判断意识再救援,没有呼吸做CPR"
  • 万用表使用:"先大后小选量程,红正黑负要记清"

二、实操考试通关秘籍

📌 实操不求快,规范胜手速

实操考试评分重点是规范性和安全性,不是速度。宁可慢一点,也要确保每一步都正确!

✓ 实操高分要点
  • 安全用具检查(每次必做):
    • 检查绝缘手套有效期标签,漏查直接扣分
    • 验电器使用前必须在已知带电体上验证完好性
    • 安全帽检查外观和有效期
  • 仪表使用规范:
    • 万用表选档正确(交直流、量程),红表笔接正/火线
    • 兆欧表测量前必须断电放电
    • 钳形电流表注意量程选择和安全距离
  • 接线规范:
    • 导线横平竖直,不交叉、不重叠
    • 接线端子接触可靠,线头不外露
    • 完成后检查接线,确认无误再通电
  • 口述清晰:
    • 回答考官问题时声音洪亮、条理清晰
    • 使用专业术语,不要说大白话
    • 不懂就诚实说不懂,不要乱答

三、仿真练习技巧

💡 ESim电工仿真练习建议
  • 先看后做:先点击"示教"观看接线过程,理解原理后再动手练习
  • 利用导线高亮:开启导线高亮功能,清楚看到导通路径,理解电路工作过程
  • 善用检查功能:接线完成后使用"检查"功能,系统自动检测短路、断路等错误
  • 万用表验证:用万用表测量关键点位电压,验证接线是否正确
  • 反复练习:同一电路反复练习10次以上,形成肌肉记忆
  • 错题总结:记录每次接线错误的原因,避免重复犯错

四、考前准备清单

📋 考前一周准备事项
  • 证件准备:身份证原件、准考证(如有)、学历证明复印件
  • 着装要求:穿长袖工作服、绝缘鞋(部分考点提供)
  • 工具检查:确认考试用工具完好(部分考点提供)
  • 理论复习:最后过一遍错题本和重点笔记
  • 实操模拟:在ESim仿真中完整练习2-3遍全部科目
  • 心态调整:保证充足睡眠,考试当天提前到达考场

考过学员经验分享:"我在ESim仿真上把K21-K25每个电路都练习了至少20遍,考试时手到擒来,完全不慌。理论考试就是刷题,题库里的题做熟了,考场上全是原题或变型题。实操考试心态很重要,不要紧张,按照平时练习的步骤一步步来,肯定能过!"


🎮 仿真练习指导

ESim电工仿真低压电工实操模块使用方法

1️⃣ 进入学习模块

打开ESim电工仿真APP → 点击"低压电工实操"模块 → 选择"学习"按钮进入

观看视频 →
2️⃣ 理论学习

在列表中找到对应的实操电路(K21-K25):

  • 查看电路原理图,理解工作原理
  • 观看教学视频(如有),学习接线方法
  • 阅读操作步骤和注意事项
观看视频 →
3️⃣ 仿真练习

点击"电路仿真"进入练习模式:

  • 先点击"仿真"查看电路运行效果,理解工作原理
  • 点击"重置"清除所有导线连接
  • 根据原理图进行接线练习
  • 开启"导线高亮"功能,检查导通路径
  • 使用"万用表"测量关键点位验证接线
  • 点击"检查"按钮,系统自动检测错误
接线视频 → 仿真运行视频 →
4️⃣ 示教学习

点击屏幕左下方的"示教"播放按钮:

  • 观看元器件逐步添加过程
  • 学习导线的正确走向和连接顺序
  • 暂停、回放功能帮助理解难点
视观看频 →
ESim低压电工实操模块主界面

ESim低压电工实操模块主界面

学习模块界面

学习模块界面展示

✅ 练习建议
  • 循序渐进:从K21开始,按顺序练习,不要跳级
  • 熟练掌握:每个电路练习至少10遍,直到完全掌握
  • 理解原理:不要死记硬背,要理解每根线的作用
  • 模拟考试:考前一周,模拟真实考试环境进行练习
  • 手机电脑结合:手机版便携随时练,电脑版功能更全面

🎯 结语

低压电工实操考试是取证的关键环节,掌握正确的学习方法和练习技巧,能够帮助你事半功倍。通过ESim电工仿真软件进行充分的模拟练习,结合系统的理论学习,你一定能够顺利通过考试,获得低压电工操作证。

成功考过的关键:

  • ✅ 理论刷题要到位,连续3次模拟85分以上
  • ✅ 实操练习要规范,不求速度求准确
  • ✅ 仿真练习要充足,每个电路至少练10遍
  • ✅ 考前准备要充分,证件心态都到位
  • ✅ 安全意识要牢记,规范操作是核心

祝你考试顺利,早日持证上岗!⚡

📎 相关学习资源